|
|
 |
|
 |
 |
|
 |
| |
|
|
 |
| |
 |
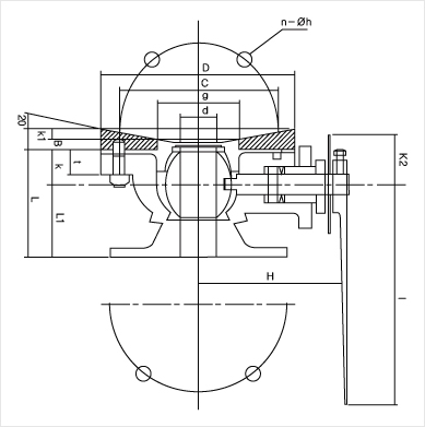
| (Unit:mm) |
| SIZE |
d |
D |
C |
g |
n |
h |
t |
B |
K |
K1 |
K2 |
L |
L1 |
I |
H |
| 25A |
1" |
25 |
140 |
105 |
49 |
4 |
15 |
25 |
12 |
26 |
28.5 |
22 |
93 |
66 |
152 |
110 |
| 40A |
1½" |
40 |
155 |
120 |
61 |
4 |
15 |
25 |
12 |
34 |
29 |
27 |
109 |
75 |
213 |
137 |
| 50A |
2" |
50 |
175 |
140 |
77 |
4 |
15 |
28 |
14.5 |
38 |
32 |
27 |
124 |
86.5 |
213 |
150 |
| 65A |
2½" |
65 |
195 |
160 |
102 |
6 |
15 |
30 |
20 |
39 |
37 |
27 |
131 |
93 |
213 |
160 |
| 80A |
3" |
80 |
250 |
210 |
140 |
6 |
19 |
32 |
25 |
46 |
45 |
34 |
150 |
101 |
270 |
180 |
| 100A |
4" |
100 |
280 |
240 |
166 |
8 |
19 |
35 |
40 |
54 |
62.5 |
34 |
167 |
112 |
270 |
190 |
| 125A |
5" |
125 |
305 |
265 |
192 |
8 |
19 |
43 |
42 |
77 |
62.5 |
|
254 |
177 |
400 |
224 |
| 150A |
6" |
150 |
350 |
310 |
243 |
8 |
23 |
49 |
42 |
75 |
62.5 |
|
273 |
198 |
500 |
265 |
|
|
 |
 |
|
Water Disribution Pipes
Industrial Cleaning Machines
Sterillzers, Boilers
Air conditioners, Water Fiters
Medical Equpments, Vacuum Packing
Food & Beverage Lines
Vacuum Distribution Pipes |
 |
|
|
 |
 |
|
| VALVE SIZE |
50A ~ 200A |
| ACTATOR |
DI-AP TYPE |
| BODY Material |
SCS13 / SCS14 / SCS16 |
| BALL Material |
SCS13 / SCS14 / SCS16 |
| SEAT Material |
PTFE, RTFE, METAL |
| Rating Type |
FLANGE TYPE |
| ACTUATOR Type |
DOUBLE ACTING / SPRING RETURN |
| Jacket Con't |
SCR'D / FLANGE |
| Jacket |
SUS 304 |
| Operating Pressure |
4-7㎏f/㎝2 |
| Rotating Angle |
90′± 3' |
| Fluid Temperature |
10 ~ 90℃ (- 10 ~ 290'C) |
| Operating Media |
Compressed Dry Air |
| Accessory (옵션) |
Solenoid valve, Limit switch box, Air filter Regulator, E-P Positioner |
|
|
 |
|
|
 |
|
|