 |
| |
|
|
 |
| |
 |
|
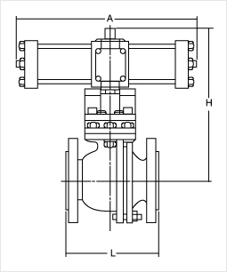
| 10K/150Lb |
|
| Valve Size |
L |
H |
A |
Actuator |
| 1/2" (15A) |
108 |
171 |
230 |
50DA |
| 3/4" (20A) |
117 |
174 |
230 |
50DA |
| 1" (25A) |
127 |
182 |
230 |
50DA |
| 1-1/2" (40A) |
165 |
215 |
250 |
63DA |
| 2" (50A) |
178 |
238 |
270 |
80DA |
| 2-1/2" (65A) |
191 |
305 |
270 |
80DA |
| 3" (80A) |
203 |
325 |
270 |
80DA |
| 4" (100A) |
229 |
380 |
340 |
100DA |
| 5" (125A) |
356 |
475 |
380 |
120DA |
| 6" (150A) |
394 |
495 |
380 |
120DA |
| 8" (200A) |
457 |
600 |
500 |
140DA |
| 10" (250A) |
553 |
750 |
600 |
160DA |
| 12" (300A) |
610 |
820 |
850 |
200DA |
|
|
|
| 20K/300Lb |
|
| Valve Size |
L |
H |
A |
Actuator |
| 1/2" (15A) |
142 |
172 |
230 |
50DA |
| 3/4" (20A) |
152 |
175 |
230 |
50DA |
| 1" (25A) |
165 |
183 |
250 |
63DA |
| 1-1/2" (40A) |
190 |
259 |
250 |
63DA |
| 2" (50A) |
216 |
276 |
270 |
80DA |
| 2-1/2" (65A) |
241 |
354 |
270 |
80DA |
| 3" (80A) |
283 |
412 |
340 |
100DA |
| 4" (100A) |
305 |
434 |
340 |
100DA |
| 5" (125A) |
381 |
541 |
380 |
120DA |
| 6" (150A) |
403 |
631 |
500 |
140DA |
| 8" (200A) |
502 |
741 |
600 |
160DA |
| 10" (250A) |
568 |
796 |
800 |
200DA |
|
|
|
| |
 |
|
| 20K/300Lb |
|
| Part Name |
Carbon Steel |
Stainless Steel |
|
|
|
|
|
|
|
A276 Type 304
A351 Gr. CF-8/8M
A216 Gr. WCB/WCC+ENP |
|
A276 Type 304/316
A351 Gr. CF-8/8M |
|
|
A276 Type 304/316
A276 Type 410+ENP |
|
|
|
|
|
|
A216 Gr. WCB
A351Gr. CF-8 |
|
|
|
|
|
| |
| 10K/150Lb |
|
| Vaive Size |
in |
½ |
¾ |
1 |
1½ |
2 |
2½ |
3 |
4 |
5 |
6 |
8 |
10 |
| mm |
15 |
20 |
25 |
40 |
50 |
65 |
80 |
100 |
125 |
150 |
200 |
254 |
| Bore Size |
mm |
15 |
20 |
25 |
40 |
50 |
65 |
80 |
100 |
125 |
150 |
200 |
250 |
| L Face to Face |
mm |
108 |
117 |
127 |
165 |
178 |
190 |
203 |
229 |
356 |
394 |
457 |
610 |
| H Height |
mm |
82 |
85 |
94 |
115 |
120 |
155 |
165 |
200 |
220 |
295 |
355 |
479 |
| D Lever Lenght |
mm |
130 |
130 |
160 |
230 |
230 |
400 |
400 |
460 |
460 |
1000 |
370 |
650 |
|
| |
| 20K/300Lb |
|
| Vaive Size |
in |
½ |
¾ |
1 |
1½ |
2 |
3 |
4 |
6 |
8 |
| mm |
15 |
20 |
25 |
40 |
50 |
80 |
100 |
150 |
200 |
| Bore Size |
mm |
15 |
20 |
25 |
40 |
50 |
80 |
100 |
150 |
200 |
| L Face to Face |
mm |
140 |
152 |
165 |
190 |
216 |
283 |
305 |
403 |
502 |
| H Height |
mm |
82 |
85 |
94 |
115 |
120 |
165 |
240 |
295 |
355 |
| D Lever Lenght |
mm |
130 |
130 |
160 |
230 |
230 |
400 |
750 |
1000 |
370 |
|
 |
 |
| |
 |
 |
|
|
 |
 |
a) Design Press : 0.1 ~ 24㎏/㎠ |
 |
b) Design Temp : -20 ~ 220℃ |
 |
c) Service Name : Water, Oils, Gases,Chemicals, ect |
 |
d)Pneumatic Operated Press :4㎏/㎠~6㎏/㎠ |
 |
e)Pneumatic Accessories |
| |
| - Solenoid |
- Limi Switch |
| - Air unit |
- Speed Controller |
| (Water Proof & Explosion Proof ) |
|
 |
f) Manual Hand wheel, Gear Operated |
| |
|
 |
|
|
| Class |
Body (A.T.P) |
Seat (A.T.P) |
| Jis 10K |
24kg/cm2 |
6kg/cm2 |
| ANSI 150lb/in2 |
29kg/cm2 |
|
| |
 |
|
| Model |
Valve Size |
| DI~63DA |
15A ~ 32A |
| DI~80DA |
40A ~ 50A |
| DI~100DA |
50A ~ 65A |
| DI~120DA |
80A ~ 100A |
| DI~160DA |
125A ~ 150A |
|
|
|
|
 |
| |
150 Full bore : Sizes ½" to 8"
300 Full bore : Sizes 1 ½" to 8"
150 Reduced bore : Sizes 6" to 8"
300 Reduced bore : Sizes 6" to 8" |
| |
These 3-Way valves are used for diverting or mixing fluids.
There are two types : the 3-Way(L-port) and the 3-Way(T-port).
Valves are normally furnished with lever handles but are easily adapted for use with gear
or automatic actuators. Stainless steel electrostaic grounding device is an optional feature. |
| |
 |
|
Body : Carbon Steel (A216, WCB) / 304SS (CF-8) / 316SS (CF-8M)
Ball : 304SS (CF-8) / 316SS (CF-8M)
Stem : 304SS, 316SS
Seat : PTEE, Reinforced PTEE, Garphite, Metal |
| |
 |
|
|
|
|
 |
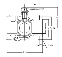
| Class 150 Dimensions |
|
| |
Valve |
ANSI 150 Lb Flange |
| |
|
Bore |
L1 |
L2 |
H |
W |
Wt/Kgf |
D |
C |
G |
T |
N-h |
| Full Bore |
|
38 |
210 |
105 |
97 |
230 |
10 |
127 |
98.5 |
73 |
14.3 |
4.16 |
|
51 |
220 |
110 |
107 |
230 |
13 |
152 |
120.5 |
92 |
15.9 |
4.19 |
|
64 |
250 |
125 |
142 |
400 |
19 |
178 |
139.5 |
105 |
17.5 |
4.19 |
|
76 |
260 |
130 |
152 |
400 |
25 |
190 |
152.5 |
127 |
19.1 |
4.19 |
|
102 |
330 |
165 |
178 |
700 |
44 |
229 |
190.5 |
157 |
23.9 |
8.19 |
|
127 |
410 |
208 |
245 |
800 |
65 |
254 |
190.5 |
157 |
24 |
8.19 |
|
152 |
430 |
215 |
272 |
1100 |
95 |
279 |
241.5 |
216 |
25.4 |
8.22 |
|
203 |
540 |
270 |
342 |
1500 |
210 |
343 |
298.5 |
270 |
28.6 |
8.22 |
Reduced
Bore |
|
127 |
430 |
215 |
252 |
1100 |
77 |
279 |
241.5 |
216 |
25.4 |
8.22 |
|
152 |
540 |
270 |
272 |
1100 |
165 |
343 |
298.5 |
270 |
28.6 |
8.22 |
|
| |
| Class 300 Dimensions |
|
| |
Valve |
ANSI 150 Lb Flange |
| |
|
Bore |
L1 |
L2 |
H |
W |
Wt/Kgf |
D |
C |
G |
T |
N-h |
| Full Bore |
|
38 |
220 |
110 |
97 |
230 |
14 |
156 |
114.5 |
73 |
20.7 |
4.22 |
|
51 |
240 |
120 |
107 |
230 |
17 |
165 |
127 |
92 |
22.3 |
8.19 |
|
64 |
270 |
135 |
142 |
400 |
22 |
190 |
149 |
105 |
25.4 |
8.22 |
|
76 |
290 |
145 |
152 |
400 |
36 |
210 |
168 |
127 |
28.6 |
8.22 |
|
102 |
350 |
175 |
178 |
700 |
51 |
254 |
200 |
157 |
31.8 |
8.22 |
|
152 |
460 |
230 |
272 |
1100 |
168 |
318 |
270 |
216 |
36.6 |
12.22 |
|
203 |
570 |
285 |
342 |
1500 |
265 |
381 |
330 |
270 |
41.3 |
12.25 |
Reduced
Bore |
|
127 |
460 |
230 |
252 |
1100 |
108 |
318 |
270 |
216 |
36.6 |
12.22 |
|
152 |
570 |
285 |
272 |
1100 |
210 |
381 |
330 |
270 |
41.3 |
12.25 |
|
|
 |